sales@cubanolugs.com
+91 9322228196
Non-Insulated Tabs For Soldering
Very good soldering characteristics thanks to material used
Material: Brass (CuZn)
Surface: Tin-plated to Protect against corrosin
Features: Dimensions in the plug sector to DIN 46244
For soldering in printed circuits


| SR.NO. | L1 | L3 | L2 | S | B1 | B2 | B3 | L4 | WEIGHT/100 PCS. ~KG | CAT.NO. |
| 959 | 10.5 | – | 6.5 | 0.8 | — | – | — | — | 0.015 | C91-105 |
| 960 | – – | 8 | 7.1 | 0.8 | 1.0 | 5 | — | 13.4 | 0.040 | C92-000 |
| 961 | 16.0 | 4 | 8.0 | 0.8 | 3.5 | 5 | 6.4 | 12.0 | 0.065 | C93-160 |
| 962 | 16.0 | 3 | 8.0 | 0.8 | 3.8 | 5 | 6.2 | 12.0 | 0.085 | C94-161 |
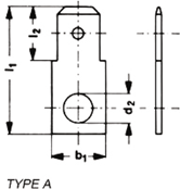
Non-Insulated Tabs For Straight Version
Material: Brass (CuZn)
Surface: Tin-plated to Protect against corrosin
Features: Dimensions in the plug sector to DIN 46342
For soldering in printed circuits DIN 46244


| SR.NO | AREA mm2 | D | L1 | L2 | S | B1 | WEIGHT/100 PCS. ~KG | CAT.NO. |
| 963 | 1.5 | 3.1 | 13.0 | 5.5 | 0.8 | 4.5 | 0.028 | C95-15 |
| 964 | 2.5 | 4.3 | 19.0 | 8.0 | 0.8 | 8.0 | 0.086 | C96-25 |
| 965 | 4 | 5.3 | 19.0 | 8.0 | 0.8 | 8.0 | 0.80 | C97-4 |