sales@cubanolugs.com +91 9322228196

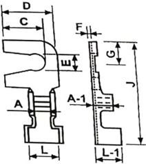
Brass Side Fork Terminals

SR.NO. CABLE SIZE D A A-1 E F C L L-1 G J CAT.NO.
1644    1.5       6       2.6       2.8       3       0.4       4.5       4.1       4       6       13       C1837   
   1645       2.5       6       3.5       4       3       0.4       4.5       5.5       5.6       6       13       C1838